Vývoj a úpravy vozidel
Optimalizace vylepšení brzdového systému
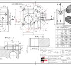
- Vývoj držáku brzdového třmenu
Vývoj vylepšení aerodynamiky na vozidle KTM X-BOW
- Aktivní naklápění přítlačného křídla
Vývoj držáku snímače otáček klikové hřídele motoru
- Držák snímače s možností regulace nastavení
Vývoj tepelných přechodů do brzdové soustavy
- Optimalizace přechodu tepla od brzdových destiček do brzdového třmenu
































